電気工事士2種 平成26年下期 問4
問4
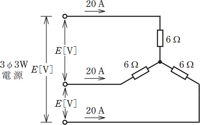
図のような三相負荷に三相交流電圧を加えたとき,各線に20〔A〕の電流が流れた。線間電圧E〔V〕は。

- 120
- 173
- 208
- 240
広告
広告
正解 ハ
分野
科目:A - 電気の基礎理論細目:5 - 三相3線式回路
解説
三相3線式回路には、スター結線(直列接続)とデルタ結線(並列接続)があり、それぞれ線間電流と相電流、線間電圧と相電圧の間に以下の関係があります。
V=20[A]×6[Ω]=120[V]
スター結線では、線間電圧=3×相電圧なので、線間電圧Eは、
E=3×120[V]=207.6[V]
(小数点以下を四捨五入)208[V]
したがって208[V]が正解となります。
※試験の指定により3=1.73として計算します。
広告
広告