電気工事士2種 令和7年下期 問7
問7
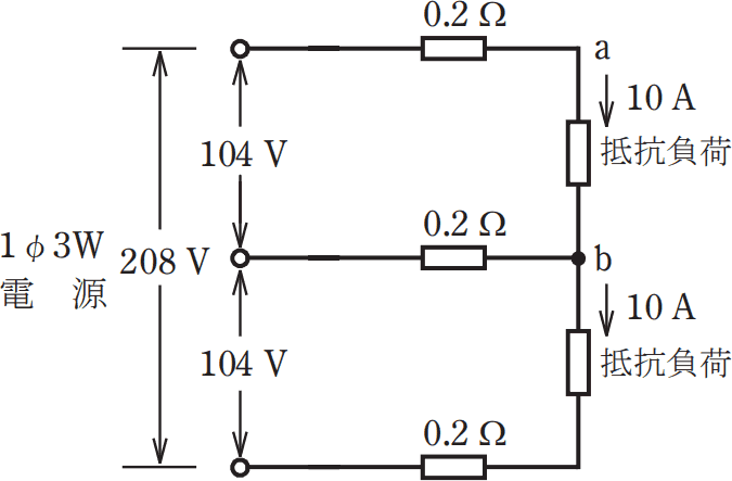
図のような単相3線式回路において,電線1線当たりの抵抗が0.2Ωのとき,a-b間の電圧[V]は。

- 96
- 100
- 102
- 106
広告
広告
正解 ハ
分野
科目:B - 配電理論細目:1 - 電圧降下等
解説
a-b間の電圧は、電源電圧から電線による電圧降下量を差し引いたものとなります。電線の抵抗による電圧降下は、配電方式(単相2線・単相3線・三相3線)に応じて以下の式で計算します。
電流Iは10[A]、電線の抵抗は0.2[Ω]なので、
IR=10[A]×0.2[Ω]=2[V]
a-b間の電圧は、電源電圧104[V]から電圧降下量を差し引いた 104-2=102[V]となります。
広告
広告