電気工事士2種 平成26年下期 問8
問8
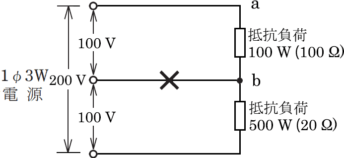
図のような単相3線式回路で,消費電力100〔W〕,500〔W〕の2つの負荷はともに抵抗負荷である。図中の×印点で断線した場合,a-b間の電圧〔V〕は。ただし,断線によって負荷の抵抗値は変化しないものとする。

- 33
- 100
- 167
- 200
広告
広告
正解 ハ
分野
科目:B - 配電理論細目:1 - 電圧降下等
解説
中性線が断線すると、2つの抵抗負荷は電源電圧200[V]に直列に接続された状態になりますから、論理的に以下の回路と同等です。
I=200[V]120[Ω]=53[A]
2つの抵抗負荷に印加される電圧は、V=I×Rより、
- 上の抵抗負荷 … 53[A]×100[Ω]=5003≒167[V]
- 下の抵抗負荷 … 53[A]×20[Ω]=1003≒33[V]
このように負荷が平衡でない状態で中性線が断線すると、片方の負荷に過剰な電圧が加わり焼損するおそれがあるため、単相3線式配線の中性線に過電流遮断器を施設することは原則として禁止されています。
広告
広告