電気工事士2種 平成26年下期 問2
問2
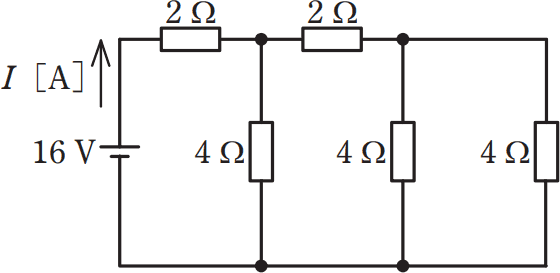
図のような直流回路に流れる電流I〔A〕は。

- 1
- 2
- 4
- 8
広告
広告
正解 ハ
分野
科目:A - 電気の基礎理論細目:1 - 電流、電圧、抵抗及び電力
解説
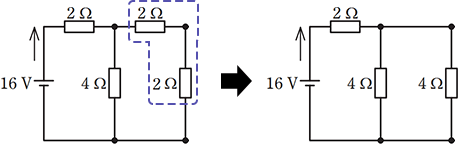
回路全体の合成抵抗を求めてから、I=VRの公式を使って電流を求めます。直流回路の合成抵抗の求め方は以下のとおりです。
- 右側の4Ωと4Ωの並列抵抗を合成すると、4×44+4=168=2[Ω]

- 中央上の2Ωと①で計算した2Ωの直列抵抗を合成すると、2+2=4[Ω]

- 右側の4Ωと4Ωの並列抵抗は、①と同様に2[Ω]

- 左上の2Ωと③で計算した2Ωの直列抵抗を合成すると、2+2=4[Ω]

広告
広告