電気工事士2種 平成26年上期 問33
問33
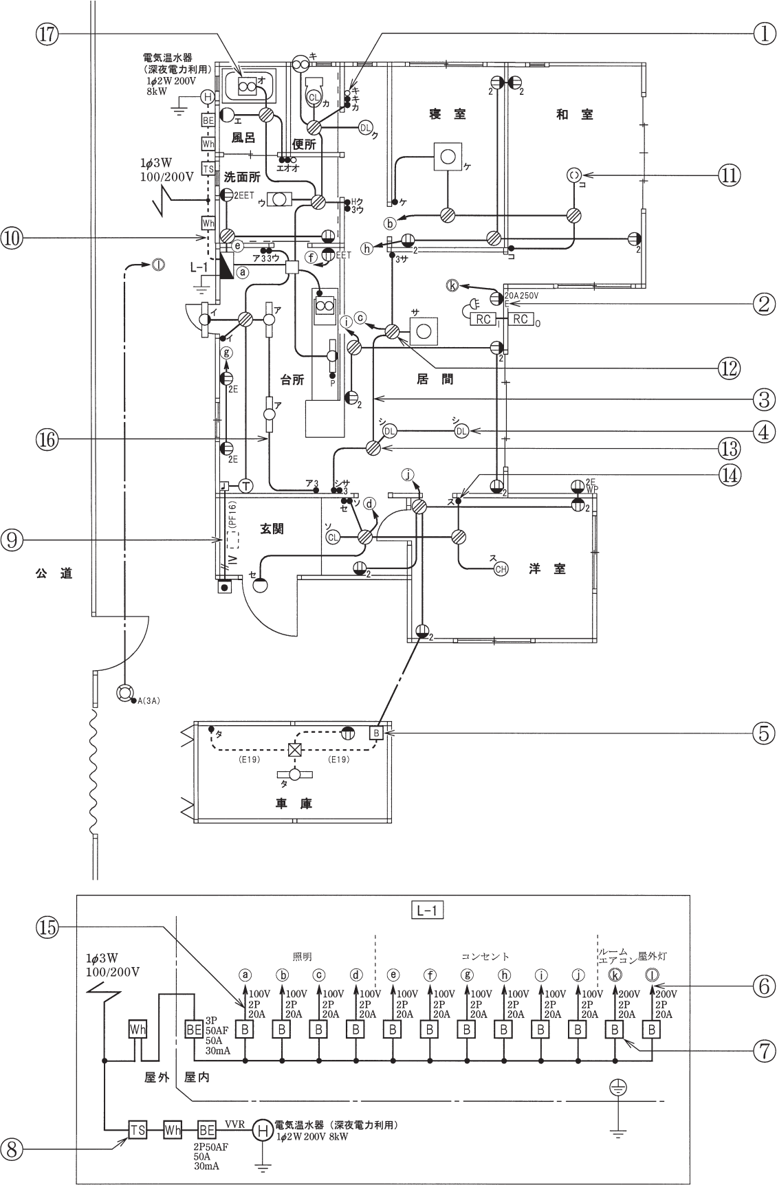
③の部分の最少電線本数(心線数)は。ただし,電源からの接地側電線は,スイッチを経由しないで照明器具に配線する。
- 2
- 3
- 4
- 5
広告
広告
正解 ハ
分野
科目:H - 配線図(その他)細目:7 - 線条数
解説
配線の線条数を求める問題は、次の4つの手順で考えます。これは心線数を答える問題、適切なケーブルを写真から選ぶ問題で共通の解法です。複線図を描く必要はありません。- 配線が電源(非接地側)線とスイッチ・コンセントをつなぐ場合、電源線(黒線)を1本加える

- 配線の先に負荷がある場合、接地側の線(白線)を1本加える

- 配線がスイッチと負荷をつなぐ場合、リンクごとに1本加える

- 配線が3路スイッチ同士、または3路スイッチと4路スイッチをつなぐ場合、リンクごとに2本加える。ただし、3路スイッチはどちらに電源線を接続するかによって、最少本数に違いが出る場合がある

本問のように3路スイッチがある場合、通常は手前側に電源をつなぎます。例外的に次の2つの条件を両方満たすときに限り、奥側につなぐ(心線数を減らせる)と考えましょう。
- 手前側のみに対象の3路スイッチで点滅する器具がある
- 奥側に電源からの電圧線を必要とする器具がある
上記の手順で電線数を検討すると、以下のようになります。
- 配線の先に●シのスイッチがあるので、電源線が1本必要です。
- 配線の先にダウンライトがあるので、接地側の線が1本必要です。
- ③部分を介してつながるスイッチと負荷はありません。
- ●サの3路スイッチ同士をつなぐ線が必要なので、プラス2本します。
広告
広告