電気工事士2種 平成26年上期 問5
問5
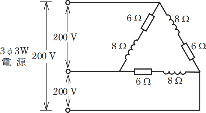
図のような三相3線式回路の全消費電力〔kW〕は。

- 2.4
- 4.8
- 7.2
- 9.6
広告
広告
正解 ハ
分野
科目:A - 電気の基礎理論細目:5 - 三相3線式回路
解説
三相3線式回路には、スター結線(直列接続)とデルタ結線(並列接続)があり、それぞれ線間電流と相電流、線間電圧と相電圧の間に以下の関係があります。
- 3×線間電流×線間電圧×力率(cosθ)
- 3×相電流×相電圧×力率(cosθ)
Z=62+82=36+64=100=10[Ω]
1相あたりに流れる相電流Iは、I=VRより、
I=200[V]10[Ω]=20[A]
力率は1相当たりのインピーダンスに対する負荷の抵抗値なので、
cosθ=6[Ω]10[Ω]=0.6
相電流、相電圧、力率の値がわかったので、公式②に当てはめると、
3×20[A]×200[V]×0.6=7,200[W]
(kWに単位に変換して)7.2[kW]
以上より7.2[kW]が正解です。
【別解1】
20Aの相電流は負荷でのみ消費されるため、負荷1つ当たりの消費電力は、I2×Rより、20[A]2×6[Ω]=2,400[W]、負荷は3つあるので、2,400[W]×3=7,200[W]=7.2[kW]
【別解2】
相電流が20Aなので線間電流は 3×20[A]、公式①を使って、3×3×20[A]×200[V]×0.6=7,200[W]=7.2[kW]
広告
広告