過去問道場
掲示板
Home
平成25年下期
問6
電気工事士2種 平成25年下期 問6
問6
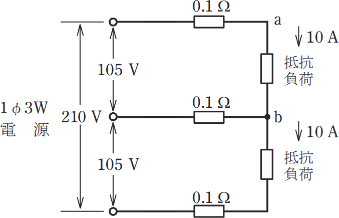
図のような単相3線式回路において,電線1線当たりの抵抗が0.1〔Ω〕のとき,a-b間の電圧〔V〕は。
102
103
104
105
イ
ロ
ハ
ニ
広告
広告
正解
正解を表示する
ハ
分野
科目:
B - 配電理論
細目:
1 - 電圧降下等
解説
この問題に対する解説はまだありません。
問題をシェア
前の問題(問5)
次の問題(問7)
第二種電気工事士過去問アプリ
過去問道場
質問・相談はこちら
第二種電気工事士掲示板
ぜんぶ絵で見て覚える 第2種電気工事士 学科試験 すい~っと合格 2025年版
第二種電気工事士過去問11年分
令和7年下期
令和7年上期
令和6年下期
令和6年上期
令和5年下期[午後]
令和5年下期[午前]
令和5年上期[午後]
令和5年上期[午前]
令和4年下期[午後]
令和4年下期[午前]
令和4年上期[午後]
令和4年上期[午前]
令和3年下期[午後]
令和3年下期[午前]
令和3年上期[午後]
令和3年上期[午前]
令和2年下期[午後]
令和2年下期[午前]
令和元年下期
令和元年上期
平成30年下期
平成30年上期
平成29年下期
平成29年上期
平成28年下期
平成28年上期
平成27年下期
平成27年上期
平成26年下期
平成26年上期
平成25年下期
平成25年上期
分野別過去問題
電気の基礎理論
配電理論
機器/器具/材料及び工具
施工方法
検査方法
保安に関する法令
配線図(図記号)
配線図(その他)
第二種電気工事士試験情報
17年分過去問PDF一覧
× メニューを閉じる