過去問道場
掲示板
Home
平成25年上期
問5
電気工事士2種 平成25年上期 問5
問5
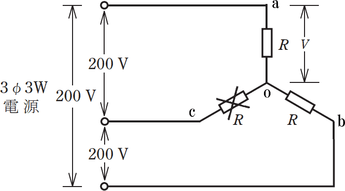
図のような三相3線式200〔V〕の回路で,c-o間の抵抗が断線した。断線前と断線後のa-o間の電圧Vの値〔V〕の組合せとして,
正しいものは
。
断線前 116
断線後 100
断線前 116
断線後 116
断線前 100
断線後 116
断線前 100
断線後 100
イ
ロ
ハ
ニ
広告
広告
正解
正解を表示する
イ
分野
科目:
A - 電気の基礎理論
細目:
5 - 三相3線式回路
解説
この問題に対する解説はまだありません。
問題をシェア
前の問題(問4)
次の問題(問6)
第二種電気工事士過去問アプリ
過去問道場
質問・相談はこちら
第二種電気工事士掲示板
ホーザン(HOZAN) 電気工事士技能試験工具セット 基本工具一式+P-958VVFストリッパー+候補問題全13問の解説動画付ハンドブック DK-28
第二種電気工事士過去問11年分
令和7年下期
令和7年上期
令和6年下期
令和6年上期
令和5年下期[午後]
令和5年下期[午前]
令和5年上期[午後]
令和5年上期[午前]
令和4年下期[午後]
令和4年下期[午前]
令和4年上期[午後]
令和4年上期[午前]
令和3年下期[午後]
令和3年下期[午前]
令和3年上期[午後]
令和3年上期[午前]
令和2年下期[午後]
令和2年下期[午前]
令和元年下期
令和元年上期
平成30年下期
平成30年上期
平成29年下期
平成29年上期
平成28年下期
平成28年上期
平成27年下期
平成27年上期
平成26年下期
平成26年上期
平成25年下期
平成25年上期
分野別過去問題
電気の基礎理論
配電理論
機器/器具/材料及び工具
施工方法
検査方法
保安に関する法令
配線図(図記号)
配線図(その他)
第二種電気工事士試験情報
17年分過去問PDF一覧
× メニューを閉じる